隨州市市場監督管理局
2020年部門決算公開
?
????2020年部門決算公開
????第一部分 部門主要職責
????(一)主要職能。
????(二)機構情況。
????(三)人員情況。
????第二部分 2020年部門決算收支情況說明
????(一)部門決算收支情況
????(二)財政撥款收支情況
????(三)“三公”經費支出情況
????(四)機關運行經費支出情況
????(五)政府采購支出情況
????(六)政府性基金收支情況
(七)國有資產占用情況
(八)國有資本經營預算財政撥款支出情況
????第三部分 2020年度績效情況說明
????(一)預算績效管理工作開展情況
????(二)部門決算中項目績效自評結果
????(三)績效評價結果應用情況
????第四部分??部門決算表
????(一)收入支出決算總表
????(二)收入決算表
????(三)支出決算表
????(四)財政撥款收入支出決算總表
????(五)一般公共預算財政撥款支出決算表
????(六)一般公共預算財政撥款基本支出決算表
????(七)財政撥款“三公”經費支出決算表
????(八)政府性基金預算財政撥款收入支出決算表
????第五部分??名詞解釋
????
????一、部門主要職責
????(一)部分主要職責
????1、負責全市市場綜合監督管理。組織實施國家、省、市有關市場監督管理的法律法規和規章政策,起草市場監督管理有關規范性文件,組織實施質量強市戰略、食品安全戰略、標準化戰略和知識產權戰略。擬訂并組織實施有關規劃,規范和維護市場秩序,營造誠實守信、公平競爭的市場環境。
????2、負責市場主體統一登記注冊。組織指導各類企業、農民專業合作社和從事經營活動的單位、個體工商戶、外國(地區)企業常駐代表機構等市場主體的登記注冊工作,以及食品、藥品、醫療器械、保健食品、化妝品、計量、特種設備等行政審批相關工作。
????3、負責建立市場主體信息公示和共享機制。依法公示和共享有關信息,加強信用監管,推動市場主體信用體系建設。統籌推進市場監管領域綜合執法事前公開與政務信息公布、權責清單公布、“雙隨機、一公開"監管工作。
????4、負責組織和指導市場監管綜合行政執法工作。貫徹落實中央和省、市關于市場監管綜合執法改革相關文件精神,指導全市市場監管綜合行政執法改革工作,推動實行統一的市場監管。負責本級市場監管綜合執法隊伍整合和建設。指導縣級市場監管綜合執法隊伍整合和建設。組織查處或督辦重大違法案件和有重大影響的跨縣(市)區案件。規范市場監管行政執法行為。統籌推進競爭政策實施,組織實施公平競爭審查制度。
????5、負責監督管理規范市場秩序。依法監督管理規范市場交易,網絡商品交易及有關服務行為。組織指導查處價格收費違法違規、不正當競爭、違法直銷、傳銷、侵犯商標專利、知識產權、合同違法、質量違法和制售假冒偽劣行為。組織實施合同行政監督管理。指導廣告業發展,監督管理廣告行為。指導查處無照生產經營和相關無證生產經營行為。指導消費維權工作和消費環境建設。負責市場監督管理領域的投訴、申訴和舉報工作。
????6、負責宏觀質量管理。擬訂并實施質量發展的制度措施。統籌質量基礎設施建設與應用,會同有關部門組織實施重大工程設備質量監理制度,組織重大質量事故調查,貫徹實施缺陷產品召回制度,監督管理產品防偽工作。
????7、負責產品質量安全監督管理。負責產品質量監督抽檢和安全風險監控工作。組織實施質量分級制度、質量安全追溯制度。實施工業產品生產許可管理。負責纖維質量監督管理工作。
????8、負責特種設備安全監督管理。綜合管理特種設備安全監察、監督工作,監督檢查高耗能特種設備節能標準和鍋爐環境保護標準的執行情況。
????9、負責食品安全監督管理綜合協調。統籌指導食品安全重工作。負責食品安全應急體系建設,組織指導重大食品安全事件應急處置和調查處理工作。建立健全食品安全重要信息直報制度。承擔市食品藥品安全委員會辦公室日常工作。負責食品藥品安全監督管理綜合協調,推動健全協調聯動機制。督促檢查縣市區人民政府履行食品藥品安全監督管理職責并負責考核評價。
???10、負責食品安全監督管理。建立實施覆蓋食品生產、流通、消費全過程的監督檢查制度和隱患排查治理機制,防范區域性、系統性食品安全風險。推動建立食品生產經營者落實主體責任的機制,健全食品安全追溯體系。組織開展食品安全監督抽檢、風險監測、核查處置和風險預警、風險交流工作。組織實施特殊食品監督管理。組織開展餐飲質量安全提升行動,負責指導重大活動食品安全保障工作。
????11、負責統一管理計量工作。推行國家法定計量單位,執行國家計量制度,管理計量器具及量值傳遞和比對工作。規范、監督商品量和市場計量行為。
????12、負責統一管理標準化工作。依法協調指導和監督地方標準、團體標準的制修訂工作。規范標準化行為。綜合協調標準化事業發展,推進建立支撐高質量發展的標準體系。
????13、負責統一管理檢驗檢測工作。推進檢驗檢測機構整合和改革,規范檢驗檢測市場,完善檢驗檢測體系,指導協調檢驗檢測行業發展。
????14、負責統一管理、監督和綜合協調認證認可工作。依法監督管理認證認可和合格評定工作。
????15、負責市場監督管理科技和信息化建設、新聞宣傳、交流與合作。按規定承擔技術性貿易措施有關工作。
????16、負責藥品(含中藥、民族藥,下同)、醫療器械和化妝品安全監督管理。貫徹執行國家藥品、醫療器械、化妝品安全監督管理的法律、法規和規章,組織起草相關規范性文件和政策規劃并監督實施。
????17、負責藥品、醫療器械、化妝品標準管理。監督實施藥品、醫療器械、化妝品標準和分類管理制度,配合有關部門實施國家基本藥物制度。
????18、負責藥品、醫療器械和化妝品質量管理。監督實施藥品、醫療器械經營質量管理規范,監督實施化妝品經營、使用衛生標準和技術規范。
????19、負責藥品、醫療器械、化妝品上市風險管理。組織開展藥品不良反應、醫療器械不良事件和化妝品不良反應的監測、評價和處置工作。依法承擔藥品、醫療器械和化妝品安全風險監測和應急管理工作。
????20、負責組織實施藥品、醫療器械和化妝品監督檢查。制定檢查制度,依法查處藥品、醫療器械和化妝品經營、使用環節違法行為,監督實施問題產品召回和處置制度,依職責組織查處其他環節的違法行為。
????21、負責知識產權保護。貫徹執行國家知識產權相關法律、法規。推動知識產權保護工作體系和信用體系建設。會同有關部門建立知識產權保護協作機制。會同有關部門組織制定實施知識產權戰略。擬定知識產權強市政策措施和發展規劃。指導知識產權爭議處理、維權援助以及糾紛調處。承擔原產地地理標志、官方標志和展會知識產權的相關保護。
????22、負責促進知識產權運用。擬訂知識產權運用和規范交易政策措施,促進知識產權轉移轉化。規范知識產權無形資產評估工作。承擔專利強制許可相關工作。制定知識產權中介服務發展與監管政策措施。負責知識產權中介服務業監管。
????23、負責建立知識產權公共服務體系。推動商標、專利等知識產權信息的傳播利用,建設便企利民、互聯互通的知識產權信息公共服務平臺。組織開展知識產權宣傳培訓和知識產權品牌培育工作。推動知識產權人才培養體系。
????24、管理隨州高新技術產業園區市場監督管理分局、大洪山風景名勝區市場監督管理分局。指導市消費者委員會開展消費維權工作。
????25、完成上級交辦的其他任務。
???(二)機構情況
????隨州市市場監督管理局機關內設科室33個:辦公室、綜合規劃和改革科、政策法規科、執法稽查科、登記注冊和行政審批科、信用監督管理科、網絡交易監督管理科、市場合同監督管理科、價格監督管理和反壟斷科、反不正當競爭科、廣告監督管理科、消費者權益保護科、新聞宣傳與綜合協調應急科、質量發展科、產品質量安全監督管理科、食品生產安全監督管理科、食品流通安全監督管理科、餐飲服務監督管理科、商品質量和食品安全抽檢監測科、藥品生產監管科、藥品經營監管科、醫療器械和化妝品監管科、特種設備安全監察科、計量科、標準化科、認證認可與檢驗檢測管理科、科技與信息化科、知識產權保護和運用促進科、商標和地理標志科、財務審計科、人事教育科、機關黨委、老干部科。下設二級單位4個,隨州市行政許可審查中心、隨州市信息與標準化所、隨州市產品質量監督檢驗所、隨州市市場監管局綜合執法支隊。
????(三)人員情況:系統實有人數291人,在職人員211人,退休80人。本級實有人數236人,在職人員167人,退休69人。
????二、2020部門決算收支情況說明
????(一)部門決算收支情況
????收入情況
????1、系統匯總:收入5486.76萬元。其中財政撥款5227.77萬元,占總收入的95.27%;上級補助收入37.82萬元,占總收入的0.68%;其他收入221.16萬元,占總收入的4%。比上年減少112.55萬元,下降2%。比年初預算增加了1206.27萬元,上升了28.18%。
????2、市局本級:收入4514.15萬元,其中財政撥款4410.28萬元,占總收入的97.69%;其他收入103.87萬元,占總收入的2.3%。比上年減少14.94萬元,下降0.3%。比年初預算增加了1440.3萬元,上升了46.85%。
????預算收入上升的主要原因:工資增補、五項獎勵性工資等資金沒有納入年初預算。
????支出情況
????1、系統匯總:支出5417.18萬元,比上年減少1117.83萬元,下降17%,比年初預算增加1136.69萬元,上升26.55%。其中:人員經費支出3786.36萬元,占決算的70%;公用支出417.58萬元,占決算的7.7%;項目支出1213.23萬元,占決算的22.39%。
????2、市局本級:支出4454.95萬元,比上年減少了1078.94萬元,下降了19.5%。比年初預算增加了1381.1萬元,上升44.93%。其中:人員經費支出3307.71萬元,占決算的74.24%;公用支出398.24萬元,占決算的8.93%;項目支出748.99萬元,占決算的16.81%。
????支出下降的主要原因是國家專用汽車車載裝置產品質量監督檢測中心建設項目本年進入收尾工作,投入資金量減少。
????(二)財政撥款收支情況
????收入情況
????1、系統匯總:財政撥款收入5227.77萬元,比上年增加134.12萬元,上升2.6%。比年初預算增加1488.37萬元,上升39.8%。
????2、市局本級:財政撥款收入4410.28萬元,比上年增加63.43萬元,上升1.4%。比年初預算增加1378.88萬元,上升45.48%。
財政撥款收入增加的主要原因是:人員增加、工資追補五項獎勵性工資等資金沒有納入年初預算。????
支出情況
????1、系統匯總:財政撥款支出5265.77萬元,比上年增加11.53萬元,上升0.2%,比年初預算增加1526.37萬元,上升40.81%。???
2、市局本級:財政撥款支出4448.73萬元,比上年減少160.21萬元,下降3.47%。比年初預算增加1417.33萬元,上升46.75%。?????
年初預算增加的主要原因是人員工資增補、五項獎勵性工資等資金沒有納入年初預算。
?(三)“三公”經費支出情況
????1、系統匯總:支出39.68萬元,比年初預算下降69.6%,比上年增加了29.63%。其中:因公出國(境)費0萬元,年初預算17萬元,上年無此項支出。公務用車運行及維護費33.63萬元 ,比年初預算減少55.26%,比上年上升34%,公務用車購置數為0,公務用車保有量32臺。公務接待費6.05萬元,比年初預算減少84.24%,比上年上升9.4%,國內公務接待85批次763人次。
????2、市局本級:支出31.41萬元,比年初預算下降71.27%,比上年增加20.99%。其中:因公出國(境)費0萬元,年初預算17萬元,上年無此項支出。公務用車運行及維護費27.01萬元,比年初預算減少57.79%,比上年增加22.05%,公務用車購置數為0,公務用車保有量27臺。公務接待費4.4萬元,比年初預算減少84.47%,比上年上升14.88%,國內公務接待50批次551人次。
公務用車運行維護費上升的主要原因:一是疫情執勤車輛出動次數增加;二是公務用車多年未更新,車輛老化嚴重,維修費、耗油增加。
公務接待費增加的主要原因是:由于2019年機構改革合并各項業務工作處于磨合期,2020年各項業務工作進一步開展導致公務接待費稍有增加。
?(四)機關運行經費支出情況
????1、系統匯總:機關運行經費417.58萬元,主要保障機關正常運轉、完成日常工作任務發生的各項支出。比上年減少105.32萬元,下降比例20.14%。
????2、市局本級:機關運行經費398.24萬元,主要保障機關正常運轉、完成日常工作任務發生的各項支出。比上年減少124.16萬元,下降比例23.76%。?
????下降的主要原因是根據市委、市政府落實過緊日子要求, 進一步從嚴控制機關運行經費支出。
????(五)政府采購支出情況
????1、系統匯總:2020年政府采購支出105.9萬元,其中:政府采購工程支出35萬元、政府采購貨物支出57.99萬元,政府采購服務類支出12.91萬元,其中授予中小企業合同金額105.9萬元,占政府采購支出總額的100%。
????2、市局本級:2020年政府采購支出40.68萬元,全部為政府采購貨物支出,其中授予中小企業合同金額40.68萬元,占政府采購支出總額100%。
????(六)關于政府性基金情況
????2020年本部門無政府性基金收支。
????(七)國有資產占用情況
????1、系統匯總:共有車輛32臺,其中公務用車6輛、執法執勤用車12輛、特種專業技術用車12輛,危化品安全監管用車1輛、休干用車1輛。價值50萬元以上通用設備0臺(套),單價100萬元以上專用設備0臺(套)
2、市局本級:共有車輛27臺,其中公務用車6輛、執法執勤用車12輛、特種專業技術用車7輛,危化品安全監管用車1輛、休干用車1輛。價值50萬元以上通用設備0臺(套),單價100萬元以上專用設備0臺(套)
(八)國有資本經營預算財政撥款支出情況
2020年本部門無國有資本經營預算財政撥款收支。
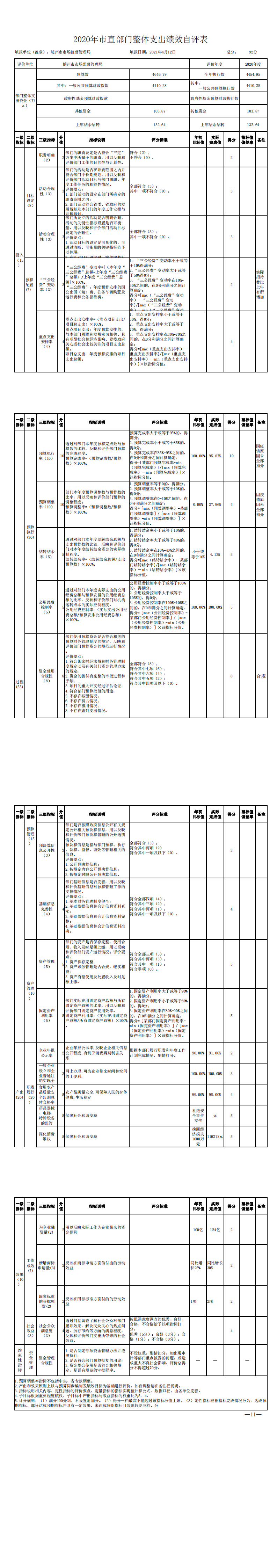
三、預算績效情況說明
????(一)預算績效管理工作開展情況。
1、建立評價小組。隨州市市場監管局針對項目實際情況,由單位組織績效評價小組,具體實施評價工作,做好各項基礎資料的收集、核實等工作。
2、設計評價方案。評價團隊根據相關文件資料合理確定績效評價的目標,并構建績效評價框架,具體包括績效評價原則、評價指標體系、績效標準及評價方法等

???(二)部門決算中項目績效自評結果。
隨州市市場監管局本級2020年項目總支出749萬元,其中:商品和服務支出730.22萬元,占項目總支出的97%;資本性支出18.78萬元,占項目總支出的3%。項目主要用于市場監管、質量監督監管、食品藥品監管、消費者權益保護、執法辦案專項、信息化建設、培訓支出、其他市場監管事務支出等。
項目自評
1、根據相關規范和各項預算定額的標準,按照市財政局項目績效目標自評標準指標進行綜合分析和評價,本項目綜合評價得分 96分。
2、項目按照財政局要求提交預算績效申報表,并獲得財政局批復,對項目數量和項目投入資金制定了目標值,部分效益指標可測性不高;項目資金能全部及時到位。業務管理方面,單位制定了項目相關業務管理制度,采取了相應的項目質量檢查、驗收等必需的控制措施;財務管理方面,單位制定了資金管理辦法,確保資金的規范使用,項目支出符合國家財經法規和財務管理制度,資金的撥付有完整的審批程序和手續,符合項目預算批復或合同規定的用途,不存在截留、擠占、挪用、虛列支出等情況。
3、項目整體完成情況良好,產生了一定的社會效益,但尚存在少許不足。

存在的問題
1、績效指標體系不夠完善。專項資金支出管理還存在精細化方面的問題,下一步我局將根據工作中的實際情況進一步探索、研究,細化完善相關指標體系,將項目資金績效管理工作推向新臺階。
2、項目管理制度不夠完善,項目資金支出績效管理制度落實還有待進一步深化,項目管理制度需要進一步更新完善。
改進措施
1、健全績效指標體系,根據績效目標設置個性化的績效指標。同時根據歷史完成數據或預算支出明細制定符合客觀、實際的指標值,以規范績效考核工作。
2、繼續完善業務管理制度,同時,注重項目日常工作留痕管理。我單位將根據實際情況,對發現的不合理的考核機制進行及時的調整,保證項目能夠更順利的展開及完成。
????(三)績效自評結果應用情況
????績效評價結果應用情況:
????1、制定合理的績效目標。根據項目性質及實際情況制定當年績效目標,并將績效目標分解為清晰、可衡量的指標,確定年初目標值,從定性和定量兩個方面評價和分析項目實施情況和資金使用效益,建立健全績效評價工作機制。??
????2、制定相關項目質量考核辦法。根據崗位職責,遵循客觀公正、注重實績的原則,對項目實施相關人員進行考核,作為年度評優評先的依據,有利于加強項目的質量可控性,更好的提升項目質量,責任到人。
????績效評價結果擬應用情況:
????1、對項目進行梳理,使績效指標與部門職能及工作重點更加貼切。根據職能和當年工作重點對主要工作任務進行梳理,結合工作重點設置相應的績效指標,不設置難以考核或者無法獲取數據的指標。???
????2、加大預算執行管理,強化預算支出管理責任,提高預算執行的均衡性、安全性和有效性,增強預算剛性約束。
????第四部分??部門決算表
???(一)收入支出決算總表
???(二)收入決算表
???(三)支出決算表
???(四)財政撥款收入支出決算總表
???(五)一般公共預算財政撥款支出決算表
???(六)一般公共預算財政撥款基本支出決算表
???(七)財政撥款“三公”經費支出決算表
???(八)政府性基金預算財政撥款收入支出決算表
(九)國有資本經營預算財政撥款支出決算表


















????五、名詞解釋
????1、財政撥款(補助)收入:指財政預算安排且當年撥付的資金。
????2、行政運行:反映行政單位(包括實行公務員管理的事業單位)的基本支出。
????3、行政單位醫療:反映財政部門集中安排的行政單位基本醫療保險繳費經費,未參加醫療保險的行政單位的公費醫療經費,按國家規定享受退休人員的醫療經費。
????4、基本支出:指為保障機構正常運轉、完成日常工作任務而發生的人員支出(包括基本工資、津貼補貼等)和公用支出(包括辦公費、水電費、郵電費、交通費、會議費、差旅費等)。
????5、項目支出:指在基本支出之外為完成特定行政任務和事業發展目標所發生的支出。
????6、“三公”經費:按照有關規定,"三公"經費包括因公出國(境)費、公務接待費、公務用車購置及運行費。
????7、公務接待費:指單位按規定開支的各類公務接待支出。
????8、公務用車:指單位用于履行公務的車輛,包括領導干部專車、一般公務用車和執法執勤用車。
????9、公務用車購置及運行費:指單位公務用車購置及租用費、燃料費、維修費、過橋過路費、保險費、安全獎勵費用等支出。
掃一掃在手機上查看當前頁面
您訪問的鏈接即將離開“隨州市人民政府”門戶網站,是否繼續?
您的瀏覽器版本太低!
為了更好的瀏覽體驗,建議升級您的瀏覽器!